嵌入式通信协议 ¶
约 1610 个字 1 张图片 预计阅读时间 6 分钟
基本概念 ¶
- 并行传输:以字或字节为单位、多个位同时传输;快、线多、不宜远距离通信
- 串行传输:逐位传输,慢、通信线少、适宜远距离通信
几乎所有计算机控制系统均采用串行数据通信
- 单工通信:单一方向传输,没有反向交互 ( 如传统的键盘、鼠标通信 )
- 半双工通信:双方可以交互数据,但不在同时,应用广泛 ( 只需 2 根通信线 )
-
全双工通信:双方可以同时交互数据,效率高,至少 3 根 ( 共地 ) 或 4 根通信线
- 全双工要求双方能同时收发数据,所以不能共用数据线。
- 必须分开发送线(TX)和接收线(RX
) ,形成两个独立的通信方向。
- GND 是必须的:双方电平参考必须一致,否则无法可靠解码信号。
波特率 波特率:指单位时间内传输的信息量,单位通常用“位/秒”表示
- 基带传输:数字信号的数字传输。按数字波形、以“位”流形式直接在信道上传输,速度较高,远距离传输易因信号衰减发生畸变(中继)
- 频带传输:数字信号的模拟传输。也称为载波传输,发送端把数字信号调制成一定频带范围的模拟信号,接收方解调还原。如 HART 信号,FSK
- 宽带传输:适用于传输影像、语音信息
差动传输指的是:信号不是相对于地(GND)传输的,而是两个信号线之间的电压差表示信号的逻辑状态。
📌 举个例子(以 RS-485 为例
它规定:
当 A > B(例如 A=5V,B=0V)时,表示逻辑 1
当 A < B(例如 A=0V,B=5V)时,表示逻辑 0
接收器只关心 A 和 B 之间的电压差(A-B
🎯 好处: 能有效抵抗电磁干扰(EMI):外界干扰会同时影响 A、B 两根线,差值不变
双线平衡是差动传输的一种实现方式,它强调信号在线路上的对称性和平衡性,即:
发送端同时在两根线上发送等幅反向的信号,接收端感应两线之间的差值。
UART¶
TTL 电平 ¶
RS232 - 全双工 ¶
RS-232 标准是一种全双工通信协议
标准接口是 25 针 D 型插头;后简化成 9 针,一般只用 TXD、RXD、GND 三条线
- 单端输入(单线共地
) ,抗干扰能力弱 - 工作速率低(19.6Kbps
) 、通信距离短(15m,加 Modem 可延长)
- 原理
- 由 EIA 制定的异步串行通信标准,采用负逻辑电平(逻辑 1:-5V-15V,逻辑 0:+5V+15V
) 。
- 由 EIA 制定的异步串行通信标准,采用负逻辑电平(逻辑 1:-5V-15V,逻辑 0:+5V+15V
- 应用
- 早期计算机与调制解调器、打印机连接,工业控制设备通信。
| 引脚顺序 | 引脚作用 + 名称 |
|---|---|
| 1 | 数据载波检测 |
| 2 | 数据发射 |
| 3 | 数据接收 |
| 4 | 数据设备准备 |
| 5 | 地 |
| 6 | 数据终端准备 |
| 7 | 清除发送 |
| 8 | 请求发送 |
| 9 | 振铃指示 |
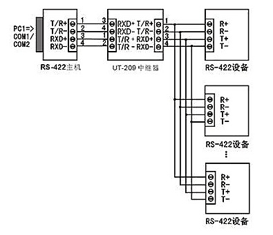
RS422 - 全双工 ¶
RS-422 是由 RS-232 改进而来:
- 接口采用差分、双线平衡传输,抑制共模干扰能力强
- 接收器高输入阻抗,发送驱动能力更强
- 最高传输速率可达 10 Mbps
- 最大通信距离 1200 m(不加中继,且与速率有关)
- 传输线可连接多个接收节点
- 支持全双工通信

RS485¶
- 原理
- 差分信号传输(A/B 线电压差表示逻辑
) ,支持半双工 / 全双工,抗干扰能力强。 - 传输距离达 1200 米,波特率最高 10Mbps(随距离降低
) ,支持多点连接(同一网段最大支持 32 个节点,如果使用特制芯片,可以连接 128 个甚至更多节点) 。
- 差分信号传输(A/B 线电压差表示逻辑
- 应用
- 工业自动化(PLC、传感器网络
) 、楼宇控制、远距离数据采集。
- 工业自动化(PLC、传感器网络
USB/PCIe/SATA¶
- USB
- 通用串行总线,支持热插拔,版本包括 USB 2.0(480Mbps
) 、USB 3.2(20Gbps) 。 - 应用:外设连接(键盘、摄像头
) 、移动设备充电。
- 通用串行总线,支持热插拔,版本包括 USB 2.0(480Mbps
- PCIe
- 高速串行计算机扩展总线,点对点架构,通道数可扩展(x1/x16
) 。 - 应用:显卡、NVMe SSD、数据中心互联。
- 高速串行计算机扩展总线,点对点架构,通道数可扩展(x1/x16
- SATA
- 串行 ATA 接口,替代并行 IDE,速率最高 6Gbps(SATA III
) 。 - 应用:机械硬盘、固态硬盘连接。
- 串行 ATA 接口,替代并行 IDE,速率最高 6Gbps(SATA III
CAN(控制器局域网)¶
- 原理
- 差分信号(CAN_H/CAN_L
) ,多主架构,CSMA/CD+ 非破坏性仲裁(优先级高的 ID 胜出) 。 - 帧格式包含 ID、数据、CRC 校验,错误检测机制完善(如 ACK 超时
) 。
- 差分信号(CAN_H/CAN_L
- 应用
- 汽车电子(ECU 通信
) 、工业控制(电梯、机械臂) 。
- 汽车电子(ECU 通信
- 特点
- 抗干扰强;传输距离长(5kbps 下可达 10km
) ;实时性高。
- 抗干扰强;传输距离长(5kbps 下可达 10km
I2C¶
- 原理
- 两线制(SDA、SCL
) ,多主多从,7/10 位地址寻址,支持标准(100kbps) 、快速(400kbps)模式。 - 起始 / 停止条件定义通信周期,ACK/NACK 应答机制确保数据完整性。
- 两线制(SDA、SCL
- 应用
- 传感器(温度、加速度计
) 、EEPROM、LCD 控制器(如 OLED 驱动) 。
- 传感器(温度、加速度计
- 特点
- 引脚少;支持总线仲裁;速率低于 SPI,适合低速设备互联。
SSI(同步串行接口)¶
- 原理
- 基于 RS-422 的差分通信,主设备提供单向时钟,从设备在上升沿输出数据。
- 数据帧包含位置信息(二进制或格雷码
) ,支持单圈 / 多圈绝对值编码器。
- 应用
- 高精度工业编码器(如机器人关节控制
) 、数控机床位置反馈。
- 高精度工业编码器(如机器人关节控制
- 特点
- 抗干扰强;时钟频率 80kHz~2MHz;需 FPGA 或专用 SPI 模式配置时序。
SPI¶
- 原理
- 全双工同步串行接口,四线制(SCLK、MOSI、MISO、SS
) ,主从架构。 - 数据在时钟边沿采样,支持多从机(每从机独立 SS 片选
) 。
- 全双工同步串行接口,四线制(SCLK、MOSI、MISO、SS
- 应用
- Flash 存储器、ADC/DAC、触摸屏控制器(如 TFT 驱动
) 。
- Flash 存储器、ADC/DAC、触摸屏控制器(如 TFT 驱动
- 特点
- 速率高(可达 100MHz
) ;无寻址机制;引脚多但传输效率高。
- 速率高(可达 100MHz
以太网¶
- 原理
- 基于 IEEE 802.3,物理层(PHY)和 MAC 层协同工作,双绞线(CAT5e/6)或光纤传输。
- TCP/IP 协议栈支持,速率从 10Mbps 到 100Gbps,全双工通信。
- 应用
- 局域网(企业网络
) 、互联网接入、车载以太网(自动驾驶数据传输) 。
- 局域网(企业网络
- 关键点
- 交换机实现数据包转发;PoE(以太网供电)简化设备部署。